Extrator Duplo – ED

Extrator Duplo – ED

Categorias: , Tag:
Loading...
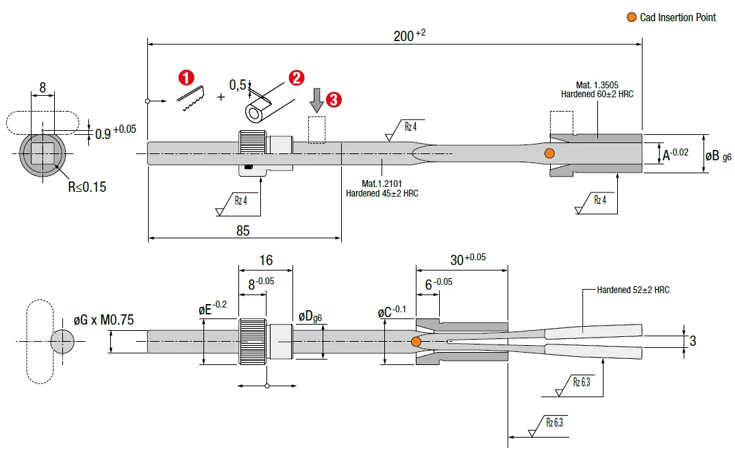
ED_CUM_COTAS

Tabela de dimensões

* Na tabela abaixo, na última coluna sem título, quando ocorrer; arquivo compactado com desenhos técnicos.

CódigoABCDEGHBalinit C®
ED068200612141014610·ed068200.zip
ED088200814161216812·ed088200.step
ED1082001016181418814·ed108200.step
ED1282001216181620815·ed128200.step

Descrição

Descrição:

Para a desmoldagem de pequenos negativos, pré-ajustado e regulável em altura.
De fácil instalação graças a todas as maquinações necessárias serem efetuadas a 90.
O tratamento de Balinit C® oferece um suave deslizamento.

Marca

Cumsa