Vacuumjet Duplo Efeito – VB

Vacuumjet Duplo Efeito – VB

Categorias: , Tag:
Loading...
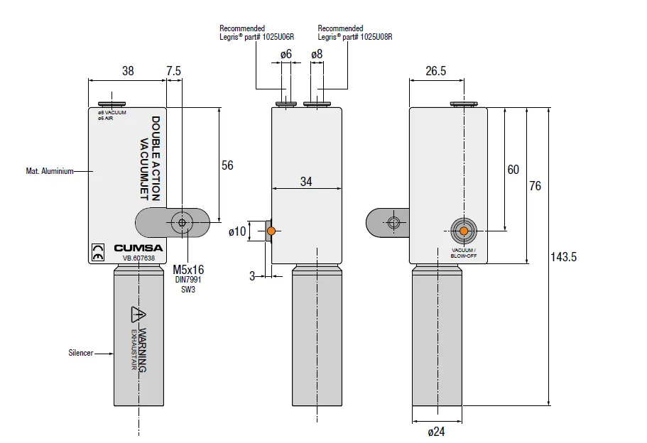
VB_CUM_COTAS

Tabela de dimensões

* Na tabela abaixo, na última coluna sem título, quando ocorrer; arquivo compactado com desenhos técnicos.

CódigoPressão de AlimentaçãoVácuo MáximoFluxo MaximoConsumo
VB6076385-6 BAR-900 mbar75 L/Min60 L/Minvb607638.step

Descrição

Descrição:

Esta unidade tem a capacidade de criar vácuo (60L/min) e a expulsão de ar pelo mesmo circuito.
O Vácuo é produzido durante o processo de injeção.
A expulsão de ar é feita durante o processo de extração.

DEMONSTRAÇÃO DO FUNCIONAMENTO DO PRODUTO

Marca

Cumsa